升威產品
SOUNDWELL PRODUCT
新品推薦
編碼器選型表
電位器選型表
開關選型表
編碼器
電位器
-
旋轉電位器
- RS19薄型閥門旋鈕電位器
- RA09電位器金屬軸系列
- RA09電位器開關塑膠軸系列
- RA08電位器金屬軸系列
- RD16電位器金屬軸系列
- RD12電位器金屬軸系列
- RD24電位器金屬軸系列
- RD24電位器塑膠軸系列
- RB12電位器塑膠軸系列
- RB16電位器塑膠軸系列
- RC10電位器旋鈕操作型系列
- RC15電位器旋鈕操作型系列
- RC1003旋鈕操作型系列
- RA11電位器塑膠軸系列
- RA13電位器金屬軸系列
- RA14電位器塑膠軸系列
- RA18電位器塑膠軸系列
- RA26電位器塑膠軸系列
- PT10電位器貫通軸系列
- PT15電位器貫通軸系列
- PT16電位器貫通軸系列
- PT21電位器貫通軸系列
- PT26電位器貫通軸系列
- 磁敏電位器
- 中空電位器
- 直滑電位器
- 搖桿電位器
- 馬達電位器
- 電位器開關
- 雙聯電位器
- 單聯電位器
- 撥盤電位器
- 西班牙電位器
- 360度電位器
- 可調電位器
- 手持云臺
- 大功率電位器
- 數字電位器
- 導電塑料電位器
傳感器
旋轉開關
模組定制
磁電光電編碼器目錄
旋鈕
碳膜印刷
熱銷產品(內頁)
廣東升威電子制品有限公司
電 話:0769-38833333
傳 真:0769-87930111
0769-87930222
E-mail:sw@soundwell-cn.com
地 址:廣東省東莞市塘廈鎮鳳凰崗升威工業園
|
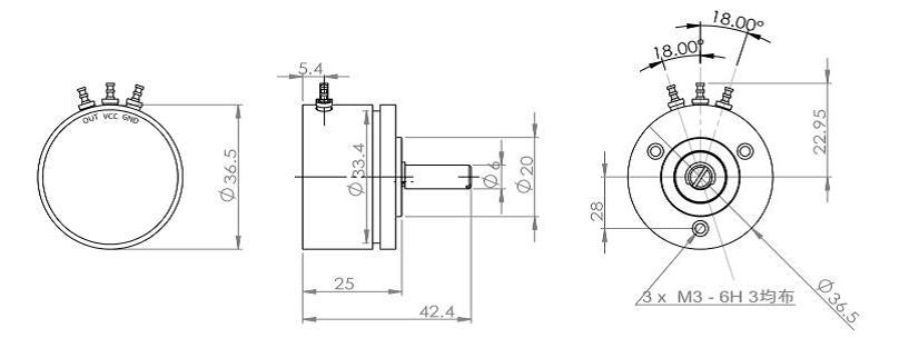
型號:WDC-35
特點:
● 非接觸數字電位器;
● 內部機械核心部件采用不銹鋼進口雙軸承,精度高,壽命長;
● 任意電氣角度選擇,可定制;
● 出線方式:側面端子引出。
應用:風向標,機械手臂,汽車油門踏板,汽車方向盤角度檢測,挖掘機機臂轉角,叉車轉向,游戲手臂,及各種角度檢測的設備。
常規尺寸 /Standard Dimensions

命名方式 /Naming Method

電氣連接 /Electrical Connection
| 出線端名稱 | 出線連接 |
|---|---|
| VCC | 15-35DCV 電源+ |
| GND | 15-35DCV 電源- |
| OUT | 4-20mA 電流輸出端 |
技術參數 /General Specifications
| 一般參數 | |||
|---|---|---|---|
| 機械轉角 | 360°(連續) | 機械壽命 | 理論上無限(取決于軸承的壽命) |
| 工作溫度 | -30℃~ +80℃ | 質量 | 約60g |
| 儲存溫度 | -30℃~ +80℃ | 外殼 | 鋁合金,表面陽極氧化 |
| 旋轉力矩 | <5mN·m | 軸 | 不銹鋼 |
| 防護等級 | IP54 | 軸承 | 2 組精密滾珠軸承 |
| 電氣性能 | |||
|---|---|---|---|
| 電氣轉角 | 360° | 工作電壓 | 15~35V |
| 獨立線性公差 | 標準級:0.3%;精密級:0.2%;超精密級0.1% | 輸出信號 | 4~20mA |
| 分辨率 | 4096(12位)最小刻度為0.088°,16384(位)最小刻度為0.022°可選 | 最大工作電流 | <35mA |
| 始末端輸出偏差 | <0.05mA | 負載電阻 | <500Ω |
| 可選特性 | |||
|---|---|---|---|
| 輸出范圍 | 標準輸出0~100% (可自定義) | 特殊力矩 | 可提供<0.5mN·m 的輕力矩產品或<30mN·m 的高力矩產品。 |
| 輸出方向 | 標準為順時針信號輸出,也可設置為逆時針信號輸出。 | 特殊防護等級 | 可提供IP54 以上的特殊防護等級產品。 |
| 其他輸出方式 | 電流如:4~20mA 輸出;電壓如:0~5V,PWM 輸出等。 | ||
| 特殊軸型 | 可根據客戶要求做特殊軸長,特殊軸徑、或軸上特殊加工。 | ||

- 廣東升威電子制品有限公司
升威電話:0769-38833333(25線)
固定電話:18219276011
傳真號碼:0769-87930111 0769-87930222
郵 箱:2850818308@qq.com
地 址:廣東省東莞市塘廈鎮鳳凰崗升威工業園




